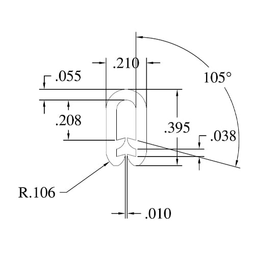
500′ Guide runner, plastic, April 2007 and later

500′ Guide runner, plastic, April 2007 and later