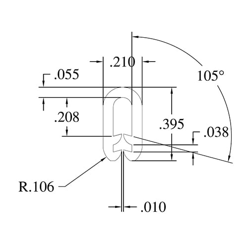
100′ Guide runner, plastic, April 2007 and later

100′ Guide runner, plastic, April 2007 and later