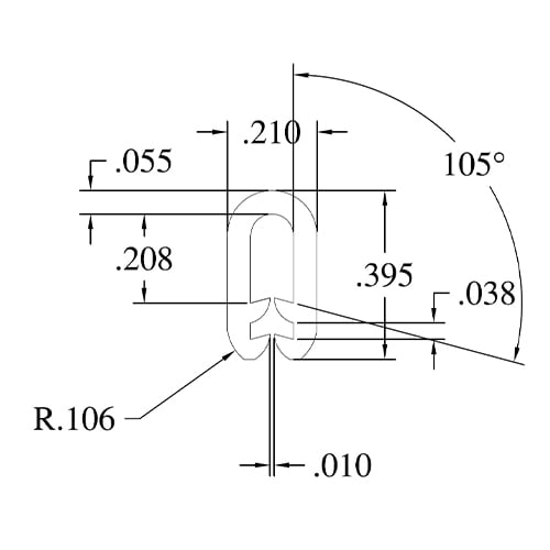
1000′ Guide runner, plastic, April 2007 and later

1000′ Guide runner, plastic, April 2007 and later